Capacitor de filme de polipropileno de folha metalizada indutiva CBB11 Fabricantes

Lar / Produtos / Capacitor de filme / Capacitor de polipropileno / Capacitor de filme de polipropileno de folha metalizada indutiva CBB11
Capacitor de filme de polipropileno de folha metalizada indutiva CBB11 Capacitor de filme de polipropileno de folha metalizada indutiva CBB11

Capacitor de filme de polipropileno de folha metalizada indutiva CBB11

Características:
Melhor propriedade elétrica, alta confiabilidade
Revestimento de resina epóxi, construído com polipropileno
Aplicações típicas:
Especialmente adequado para lâmpadas economizadoras de energia com prova de alta frequência, potência e alta tensão

ESPECIFICAÇÕES

Temperatura ambiente -40℃~105℃
Tolerância de capacitância J:±5%;K:±10%
Prova de Tensão 2,5U R
Fator de Dissipação ≤0,001 (20°C, 1kHz)
Resistência de Isolamento ≥5000MΩ (20℃, 100V, 1min)

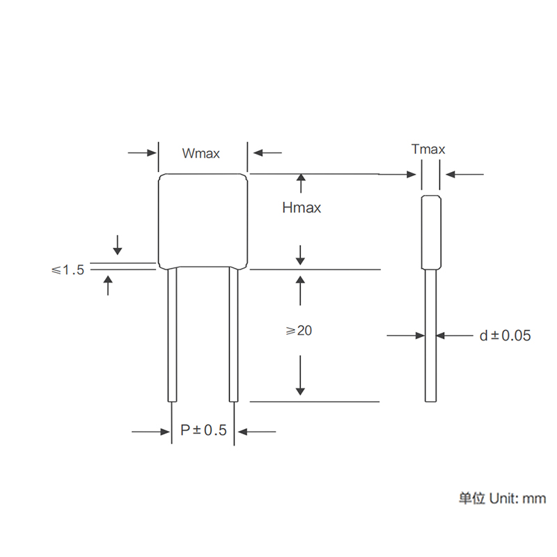
Dimensões (mm)

PAC. 100V 630 V 1000 V
C H T P C H T P C H T P
682 7 11 5 5 9 13.5 6 6.5 9 13.5 6 6.5
822 7.2 11 5.1 5 9.5 13.5 6.5 6.5 9.5 13.5 6.5 6.5
103 7.5 12 5.5 5 8.5 14.5 7.5 5 8.5 14.5 7.5 5
103 7.8 12 5 6 9.5 14.5 6.5 6.5 9.5 14.5 6.5 6.5
123 8 12 5 6 10 14.5 7 6.5 10 14.5 7 6.5
PAC. 1200 V 1500 V 1600 V
C H T P C H T P C H T P
471 4 11 5 4.5 7 12 5 4.5 7 12 5 4.5
501 7 11.5 5 4.5 7 12 5 5 7 12 5 5
751 7 11.5 5 4.5 7 12 5 5 7 12 5 5
681 7 11.5 5 5 7.5 12 5.5 5 7.5 12 5.5 5
102 7.5 13 4.5 4.5 7.5 13 4.5 4.5 7.5 13 4.5 4.5
102 7.5 12 5 5 7.5 13 5 5 7.5 13 5 5
152 7.5 13 4.5 5 8 13 5 5 8 13 5 5
222 8 13.5 5 5 9 15 5.5 5 9 15 5.5 5
272 8.5 13.5 5 5 9 15 5.5 5 9.5 14 6 5
302 9 13 5 5.5 9.5 14 5.5 5.5 9.5 14 5.5 5.5
332 9 13 5 5 9.5 15 5.5 5.5 10 14 6.5 5
392 9 14 5.5 5 9 15 6 5.5 9 15 6 5.5
402 9 14.5 6 5 10 15.5 6 5 10 15.5 6 5
422 9 14.5 6 5 10.5 15.5 6.5 5.5 10.5 15.5 6.5 5.5
472 9 14.5 6 5 10.5 16 6.5 6.5 10.5 14.5 7 5
562 9.5 15.5 6 6.5 11.5 16 7.5 6.5 11.5 16 7.5 6.5
682 11 15.5 6.5 6.5 11.5 16 7 7 11.5 16 7 7
822 11 15.5 6.5 6.5 12 16 7.5 7 12 16 7.5 7

Pergunta? Confira nossa resposta.

  • QUANTO TEMPO POSSO RECEBER O FEEDBACK DEPOIS DE ENVIARMOS A CONSULTA? 

    Responderemos dentro de 12 horas após o dia útil.

  • VOCÊ É UM FABRICANTE DIRETO OU EMPRESA COMERCIAL?

    Temos uma fábrica própria, também temos nosso próprio departamento de vendas internacionais. Produzimos e vendemos sozinhos.

  • QUE PRODUTOS VOCÊ PODE OFERECER?

    Nós nos concentramos em capacitores de filme.

  • COM QUE APLICAÇÕES SEUS PRODUTOS SE RELACIONAM?

    Nossos produtos são usados ​​em uma ampla gama de aplicações, incluindo eletrodomésticos, fontes de alimentação, medidores de eletricidade, iluminação, máquinas de solda, transporte ferroviário, veículos elétricos, redes elétricas, UPS/EPS, equipamentos médicos, inversores fotovoltaicos, conversores de energia eólica e mais.

  • VOCÊ PODE FAZER PRODUTOS PERSONALIZADOS?

    Sim, somos especialistas em fazer produtos customizados de acordo com desenhos ou amostras dos clientes.

SOBRE NÓS

Foco na fabricação de componentes eletrônicos há 20 anos.

Walson A eletrônica foi estabelecida em 2001, com mais de 20 anos de experiência em R&D, fabrico, venda e serviço de condensadores de película. Personalizado Capacitor de filme de polipropileno de folha metalizada indutiva CBB11 Fabricantes e Capacitor de filme de polipropileno de folha metalizada indutiva CBB11 Fábrica

Nós aderimos sempre à cooperação de automatização e de industrialização avançadas. a empresa continua a introduzir equipamentos de produção pendentes nacionais e estrangeiros, enquanto software de gestão de produção auto-desenvolvido, gestão colaborativa empresarial para uma operação científica e eficiente, alcançou 1 bilhão/avanço anual da capacidade de produção, e mantém um aumento ordenado.

Walson Os produtos eletrônicos cobriram mais indústrias, incluindo a nova indústria de energia e energia, inversores fotovoltaicos, Iluminação LED, eletrodomésticos e várias fontes de energia e outras indústrias.

Aderindo ao conceito de tecnologia inovadora, serviço honesto e qualidade profissional, Walson A eletrônica empurra para a frente produtos do capacitor continuamente e é certo transformar-se o pioneiro da indústria com vantagens inovativas.

Contacte-Nos
  • Presidente - Zhenqiu An
    Presidente - Zhenqiu An
  • Vice-presidente - Andrew An
    Vice-presidente - Andrew An
  • Salão em Walson
    Salão em Walson
  • Muralha de Honras de Walson
    Muralha de Honras de Walson
  • Lobby do Walson
    Lobby do Walson
  • Edifício do Centro de Produção
    Edifício do Centro de Produção
  • Centro de Produção
    Centro de Produção
  • WALSON
    WALSON
  • Sede
    Sede
  • Equipe de Atendimento ao Cliente
    Equipe de Atendimento ao Cliente
  • Design de Produto
    Design de Produto
  • Sala de reuniões na Walson
    Sala de reuniões na Walson
  • Salão em Walson
    Salão em Walson
  • Laboratório Walson
    Laboratório Walson
  • Laboratório Walson
    Laboratório Walson
  • Laboratório Walson
    Laboratório Walson
  • Teste de Desempenho no Laboratório Walson
    Teste de Desempenho no Laboratório Walson
  • Equipamento de produção
    Equipamento de produção
Notícias

Novas negociações?
Nós estamos contentes de ouvir de você.

Construir Uma Parceria Connosco Com A Nossa Visão Da Indústria!
e visão estratégica!

* We promise never to disclose your information.

Feedback Da Mensagem